澳新2023年最新新闻,2462天天好(944cc)246天彩246,新址二四六天天彩历史记录,2025跑狗图今天,港彩二四六天天好开奖结果246

迅捷包装机械logo

迅捷灌装机——灌装机械专业工厂!

 网站地图 

您现在的位置:主页 > 产品中心 > 包装机械 > 液体包装机 >

全自动无空气液体包装机

 

全自动无空气液体包装机

设备介绍:

该全自动无空气液体包装机组能自动完成计量、填充制袋、打印日期、切袋等全部过程,是液体类包装生产企业的包装配套,设备为大型企业、中小规模企业实现了自动化,提高了各行业的生产效率,大幅降低了成本。适用于液体和带粘性的各种食品,药品和化学产品的包装,包括水果沙拉,番茄酱,蜂蜜,食用油,调味剂,蔬菜汁,莲蓉,甜豆酱等,非食品类得包括面霜,清洁剂,润滑油,工业用糊状物等。

系统组成:

不锈钢转子泵液体、膏体上料机

不锈钢立式包装机

不锈钢成品输送机  

生产流程工序:

    开机温度达到恒温→设置参数→物料倒入料斗或用管引入(机器自动从料斗吸入物料)→按设定重量自动定量下料→自动包装机自动制袋成型 (可选配冲孔、插角、排气等附件装置)→填充→封合→打印日期→包装机完成自动封切→-成品包装经成品输送机输送;

主要特点:

1.全不锈钢结构经久耐用,确保卫生

2.操作简单,不需另请专业技术人员

3.进口PLC控制,人性化操作界面,大幅提高控制的精确性、可靠性、智能性和调整范围

4.水平传感器监测,易于调整袋长

5.光电开关自动精确跟踪薄膜色标

6.能与输送泵的速度保持一致以确保精确性

7.全自动无空气液体包装机采用伺服电机电机控制、双拉膜装置,拉膜准确无误,从而保证制袋效果

8.多种进口优质零部件,确保了机器的高品质和高性能

9.不需要额外的排除器或抽真空装置就能制出无空气袋

技术参数:

包装容量 200 – 5000g

包装速度 5-15袋/分钟

膜宽 350mm-520mm

袋宽 160mm-250mm

薄膜卷直径 大300mm

膜厚 65微米-100 微米

包装薄膜 各种可热封复合薄膜

电源 415V/50Hz/3phase/2.5KW

耗气量 3MPA

产品包装后规格 1580*1380*1990(mm)

产品重量 900KG

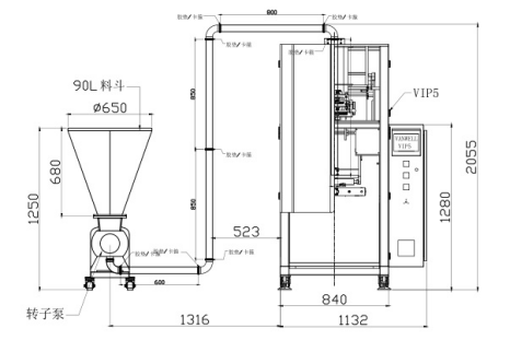
尺寸图:

 

其它事项:

1.验收办法:本厂产品在出厂前必须按企业标准, 报价单内的数据作参考用。

2.付款方式: ⑴.预付30%定金; ⑵.发货前付清65%;(3)设备到买方工厂, 调试验收合格后付5%;

3.包装运输:木箱包装;物流自提。

4.订货日期:收到定金日起计30个工作日内交货。

 包装案例展示:

 

 

全自动无空气液体包装机包装案例图

 

 包装机分类

相关产品
主站蜘蛛池模板: 电影电视剧免费观看的网址 | 2024最新澳门资料| 100万元房贷30年减少2.1万| 港澳宝典香港资料大全| 澳门精准分析| 777电影网影视播放| 澳门免费公开资料最准的资料开奖| 2022最火的十部电影排行榜| 澳门公式规律网站| 澳门彩资料大全书com| 2021年澳门大全资料下载| 澳门必中三肖三码期间| 新澳门2024年免费资料精准| 澳彩网app手机版下载| 2024管家婆必出一肖一码一中一特| 电影排行榜哪个最权威| 新澳门开奖结果2023开奖号码| 澳彩资料网5-12不中| 澳门刘伯温四肖三码免费期期精准| 2024澳彩开奖记录查询表66期| 你也有今天电视剧星辰影院| 澳彩全年资料大全下载| 高清免费影视在线观看| 1905电影网地址| 韩语日语剧情篇大全| 2021年澳门资料查询| 澳门大三巴资料网站下载大全| 101影视网电视剧高清| 聚彩堂免费资料大全| 疯狂原始人在线高清观看| 香港最准的100%一肖中特公司| 2021年网络游戏人气排行榜 | 2023澳门资料大全免费 彩色| 白小姐六肖选一肖精准| 2024港澳天天好彩资料大全| 谁的青春不迷茫| 2021年新出的网络游戏| 1978年香港电影票房排行榜| 开心果论坛《澳门管家婆》| 新澳门王中王免费资料大全| 2020年免费资料大全集|